SUPPORT BASTAING D'ANGLE EN U

Support UPN d'angle en U, pour bastaing ou madrier, afin de protéger vos racks à palette ainsi que vos allées piétonnières dans les angles.

Ce support UPN de coin accepte des madriers de 75 mm d'épaisseur sur une hauteur de 450 mm.

Afin d'avoir un kit complet, il faut associer à cette protection à un madrier ainsi qu'un support en U.

56,00 € HT

En savoir plus

Option :

  • Ces protections d'angles pour madrier peuvent être livrées avec ou sans ancrages.

Caractéristiques techniques :

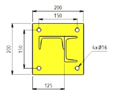
  • La fixation au sol se fait grâce à la platine composée de 4 perforation diamètres 16 mm.
  • Hauteur de la protection : 450 mm.
  • Coloris de finition jaune RAL 1021

Dimension vue de coté support d'angle pour madrier  Platine de fixation support UPN de coin